| PRODUCT
一、概述
ZD-LXQ.RXQ系列一次消谐器是保定众达电气有限公司专为保护电压互感器谐振而开发的高新产品。用于6-35KV中性点不接地系统,串联于电压互感器与中性点之间。
可以限制铁磁谐振引起的过电压,可以限制单相接地或电弧接地时流过高压互感器的过电流。采用大容量非线性电阻片组成,具有散热性能好、体积小、热容量大等特点,能适用于各种电压互感器。
二、型号说明

三、使用条件
1、适用于户内及户外;
2、环境温度
3、系统频率:50Hz,60Hz
4、海拔高度不大于
5、大气中无严重污秽及浸蚀性介质的场所;
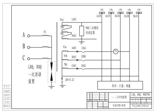
6、串接于交流6~35KV非有效接地系统PT一次绕组中性点与地之间,在一个系统中接有多台电压互感器时,应每台互感器的三相高压绕阻中性点装一台消谐器, 才能有效地限制弧光接地过电压和消除铁磁谐振。
四、用户需知
1、消谐器在运输、储存、开箱和安装时,应直立放置,不得倾斜,躺卧和受冲击、碰撞。安装使用前,应放在清洁干燥的房间内,不要受腐蚀性气体或液体浸蚀。
2、消谐器在投入运行前或运行1-2年后, 应做预防试验, 其项目为:测量每台消谐器的工频1mA和10mA时的电压,不大于要求范围的10%,其值应符合表中规定。
3、在日常运行中,由于单项接地或负载不对称等其它原因造成三项电压不对称,这时消谐器上有一定电压,运行人员勿直接接触。
4、用户不得随意拆开产品。
五、技术指标
|
消谐器 型号 |
系统电压(KV) |
U1mA工频电压(V) |
U10mA工频电压(V) |
热容量 |
高度mm |
备注 |
|
50Hz 200mA,10分钟 | ||||||
|
LXQ,RXQ-6 |
6 |
280-350 |
800-1000 |
正常 |
174 |
6KV电压互感器 |
|
LXQ,RXQ-10 |
10 |
280-350 |
800-1000 |
正常 |
174 |
10KV电压互感器 |
|
LXQ,RXQ-35 |
35 |
840-1050 |
2100-2600 |
正常 |
240 |
35KV电压互感器 |
六、安装位置图

七、外形尺寸图

八、服务指南与订货须知
服务宗旨
客户满意,是我们的责任;持续改进,是我们的义务。
具体事宜
从购买之日起一年内免费维修!
一年后出现故障,根据设备安装地点及合同签订情况协商解决;

注:由于技术不断更新,产品规格和配置如有变化,请以实际供货说明书为准
电话:0312-3110565 技术电话:0312-3116565
传真:0312-3116226
网址:http://www.bdzhongda.com
地址:河北省保定市竞秀区火炬产业园


